联系我们|在线定制|繁体|English开关插座、连接器生产厂家-广东省历合电子有限公司欢迎您的光临!
全国服务热线:
0757-26363652
客户都在找:轻触开关拨动开关拨码开关微动开关AC电源插座
AC电源插座
DC电源插座
拨动开关
船型开关
微动开关
轻触开关
拨码开关
耳机插座
按钮开关
自锁开关
卡侬插座
日期:2018/6/7 阅读:2034次
产品简介:
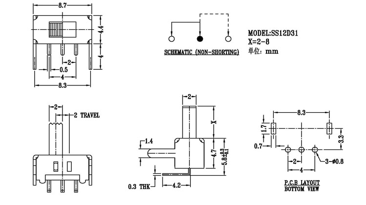
正拨拨动开关主要技術參數 使用功率/額定值:DC 50V 0.3A~1A 觸點電阻:< 100 mΩ 絕緣電阻:≥ 100 MΩ 耐壓:500V AC for 1 minute 撥動力:180~500gf 使用壽命:10000次 操作溫度:-16℃to+60℃ 儲存溫度:-40℃to+85℃ 符合標準:RoHs&Reach
在线免费获取定制方案
全国服务热线:0757-26363652
公司地址:中国 广东 佛山市顺德区 杏坛镇智富园29栋701
电话:0757-26363652
传真:0757-26363652
邮箱:
Q Q:
手机:13712710464
24H服务热线
137-1271-0464
版权所有Copyright©广东省历合电子有限公司备案号:粤ICP备12057418号