联系我们|在线定制|繁体|English开关插座、连接器生产厂家-广东省历合电子有限公司欢迎您的光临!
全国服务热线:
0757-26363652
客户都在找:轻触开关拨动开关拨码开关微动开关AC电源插座
AC电源插座
DC电源插座
拨动开关
船型开关
微动开关
轻触开关
拨码开关
耳机插座
按钮开关
自锁开关
卡侬插座
日期:2012/11/8 阅读:3017次
产品简介:
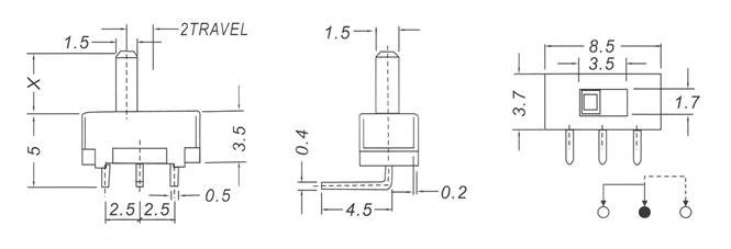
拨动开关,滑动开关,东莞拨动开关,3A5A大电流拨开关,直发器圈发器拨动开关,玩具开关,两档拨三档四档五档六档七档拨动,SKSS拨动,直柄拨动横柄拨动,侧按拨动,微型拨动
在线免费获取定制方案
全国服务热线:0757-26363652
公司地址:中国 广东 佛山市顺德区 杏坛镇智富园29栋701
电话:0757-26363652
传真:0757-26363652
邮箱:
Q Q:
手机:13712710464
24H服务热线
137-1271-0464
版权所有Copyright©广东省历合电子有限公司备案号:粤ICP备12057418号